Meshtastic
Meshtastic — open-source прошивка для LoRa-устройств, превращающая их в mesh-сеть для обмена текстовыми сообщениями, GPS-координатами и телеметрией без интернета и сотовой связи.
Работает на частоте 868 МГц (регион RU). Протокол — flooding mesh: каждый узел ретранслирует пакеты, увеличивая покрытие. Шифрование AES256 на уровне канала.
С чего начать
- Сравнение Meshtastic и MeshCore — выбор прошивки
- Основы mesh-сети Meshtastic — как работает mesh, хопы, эфир
- Приложения Meshtastic — мобильные приложения, доступность в России, веб-интерфейс
- Дальность и покрытие Meshtastic — реалистичные ожидания, что влияет на дальность
- Безопасность и шифрование Meshtastic — каналы, DM, приватность
Оглавление
Настройка
-
Версии Meshtastic firmware — changelog v2.7.15–v2.7.19, известные баги, путь обновления
-
Установка Meshtastic на Heltec LoRa 32 V4 — прошивка через esptool
-
Настройка Meshtastic после прошивки — первичная конфигурация через CLI
-
Каналы Meshtastic — структура, PSK, uplink/downlink
-
Бэкап и восстановление Meshtastic — экспорт/импорт конфигурации
-
Кириллица на OLED Meshtastic — кастомная сборка с флагом OLED_RU
-
Приложения Meshtastic — мобильные приложения, веб-интерфейс, CLI
Безопасность и связь
- Безопасность и шифрование Meshtastic — каналы, DM, PKC, приватность
- Дальность и покрытие Meshtastic — реалистичные ожидания, факторы влияния
Радио и управление
- LoRa радио Meshtastic — пресеты, TX Power, Hop Limit
- Законодательство Meshtastic в РФ — частоты, мощность, регистрация РЭС
- Роли нод Meshtastic — CLIENT, ROUTER, REPEATER, ROUTER_LATE
- MQTT в Meshtastic — шлюз, мост между сетями, Home Assistant
- Remote Admin Meshtastic — удалённое управление через mesh
- Диагностика Meshtastic — SNR/RSSI, traceroute, спам, MQTT-защита
- MeshMonitor — веб-дашборд для мониторинга нод (Docker)
- Telegram и Meshtastic — мост Telegram ↔ mesh-сеть
- BBS Meshtastic — доска объявлений и почта через mesh без интернета
Оборудование
- Heltec LoRa 32 V3 vs V4 — сравнение поколений Heltec
- Устройства для стационарной ноды Meshtastic — выбор устройства для ROUTER/REPEATER
- ESP32 vs nRF52 для Meshtastic — энергопотребление, выбор платформы под задачу
- Устройства для мобильной ноды Meshtastic — карманные ноды, GPS-модуль L76K
- DIY нода NRF52840 Pro Micro — бюджетная сборка ~$11, пайка
- Антенны для Meshtastic — омни vs направленные, Yagi, Moxon, 3D-печать
Исследования
- Сравнение Meshtastic и MeshCore — выбор прошивки для mesh-сети
- Защита LoRa от глушения — методы борьбы с радиоподавлением
- Dynamic Light Sleep ESP32 (M1NL) — патч энергосбережения, x2.5–4 автономности на ESP32
Ресурсы
- meshtastic.org — официальный сайт, документация, Web Flasher
- meshtastic.ru — русскоязычное сообщество
- meshtastic-lora.ru — гайды на русском (выбор устройства, частоты, FAQ)
- what3d.ru/groups/3 — DIY антенны (STL-модели), сборка нод, 3D-корпуса
- meshtastic-diy-nodes — подборка DIY-проектов самосбора нод
- Карта высот (etomesto.ru) — рельеф местности для планирования размещения нод
- meshtastic.taubetele.com — карта узлов
- meshmap.net — глобальная карта узлов
- ESP32 DIY schematics — схемы для самостоятельной сборки нод на ESP32
- MeshAdventurer — DIY-нода на ESP32 + E22-x00M30S с питанием от обычного блока питания
- MeshT1 — 3D-печатный корпус для Heltec Tracker
- Схема ESP32 + E22 (цветная) — распиновка ESP32-VROOM-32D + E22 LoRa-модуль + конденсатор 100nF
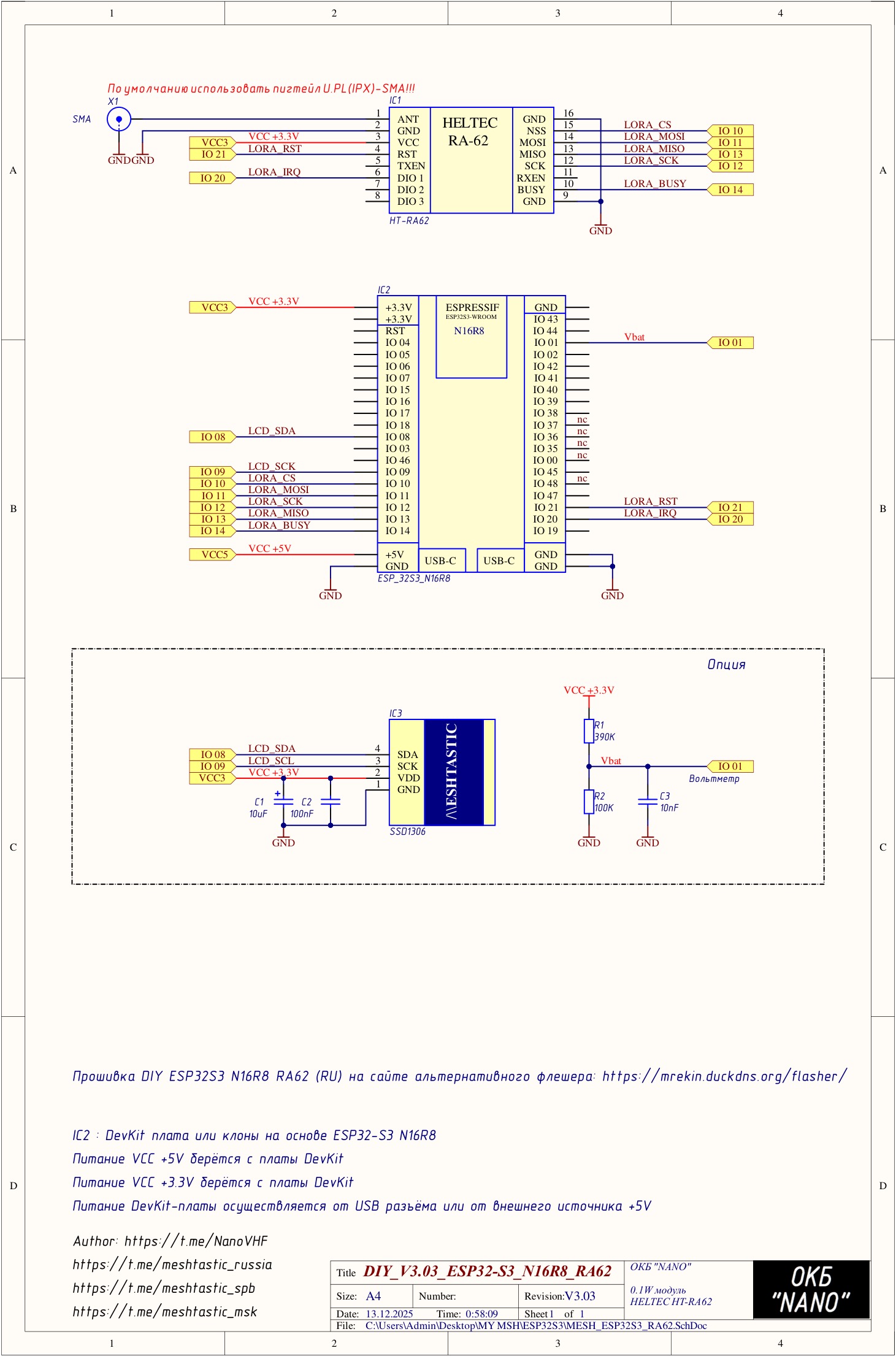
- Схемы DIY от NanoVHF (ОКБ NANO) — ESP32-S3 N16R8 с OLED и вольтметром, прошивка: flasher
- ESP32-S3 + E22 v3.04 (изображение) — E22-900M30S / E22-400M22S
- ESP32-S3 + RA62 v3.03 (изображение) — HT-RA62 (SX1262)
- RZN_Meshtastic — дашборд mesh-сети Рязани (Malla)
- Meshtastic в Рязани — настройки и соглашения рязанского сообщества